В следующих разделах описан испытательный стенд и представлены результаты испытаний. Температура - оказалась очень важным фактором, который следует принимать во внимание. В случае ШИМ-управления для различных температур возможны некоторые погрешности в выходном давлении. Чтобы избежать этого нежелательного явления, предлагается новый управляющий сигнал.
Учитываются различные характеристики электроклапанов: выходное давление в зависимости от сигнала управления, величина усилия, прилагаемого ползунком, чувствительность к ступенчатой функции запроса, возможности регулирования и внутренние утечки. Кроме того, проверяется возникновение явления гистерезиса.
1. Введение
Обычно используемые электромагнитные клапаны делятся на два основных типа: двух-стабильные (полностью открыты/полностью закрыты) или постоянно открытые/закрытые (способные принимать любое произвольное положение между двумя крайними значениями). Для реализации последнего типа управления клапан должен быть снабжен электрическим током постоянно переменной интенсивности. Метод широтно-импульсной модуляции (ШИМ) стал распространенным решением. Как видно из рис.1, амплитуда U1 и частота (1/T) управляющего сигнала ШИМ постоянны, в то время как его коэффициент полезного действия Ton/T изменяется. Этот метод широко применяется в автомобильной промышленности и для управления электрическими двигателями. Существует множество используемых вариантов, поскольку поиск более совершенных методов, направленных на минимизацию потерь энергии и/или более эффективное использование памяти микроконтроллера, все еще продолжается. Частоты сигналов достаточно велики, чтобы обеспечить практически бесступенчатое регулирование; частоты могут достигать даже нескольких МГц. На рисунке 1 показан один период в ШИМ-сигнале.

Рис.1
Рабочий цикл — это по определению (в процентах) доля времени, в течение которого сигнал остается высоким:
Kw = Ton/T · 100%
Изображения двух проанализированных электромагнитных клапанов плавно регулируемых типов показаны на рис. 2 и 3. Каждый соленоид окружает свой шток. Магнитное поле, создаваемое токами ШИМ-сигнала, протекающими через соленоид, выталкивает шток наружу, перемещая гидравлический ползунок клапана. В зависимости от своего положения ползунок соединяет различные камеры гидравлического коллектора клапана. Клапан, показанный на рис. 2, в дальнейшем будет называться устройством I, в то время как клапан, показанный на рис. 3 – устройством II. Первый представляет собой устройство общего назначения, рассчитанное на работу при частоте ШИМ = 300 Гц. Второй клапан был изготовлен другим производителем в качестве устройства I; это обозначение будет объяснено в следующей части этой статьи.
Оба типа питаются от 12 В постоянного тока в качестве устройств, обычно применяемых в автомобилях.

Рис. 2. Клапан, называемый устройством I

Рис. 3. Клапан, называемый устройством II. Вид сверху (слева), вид снизу (справа)
2. Принцип работы электромагнитных клапанов
Функция электромагнитного клапана заключается в регулировании давления масла на его выходе в соответствии с мгновенным значением управляющего сигнала ШИМ, подаваемого на его соленоид. Сила тока сигнала ШИМ непосредственно преобразуется в электромагнитную силу, которая выталкивает шток соленоида наружу.
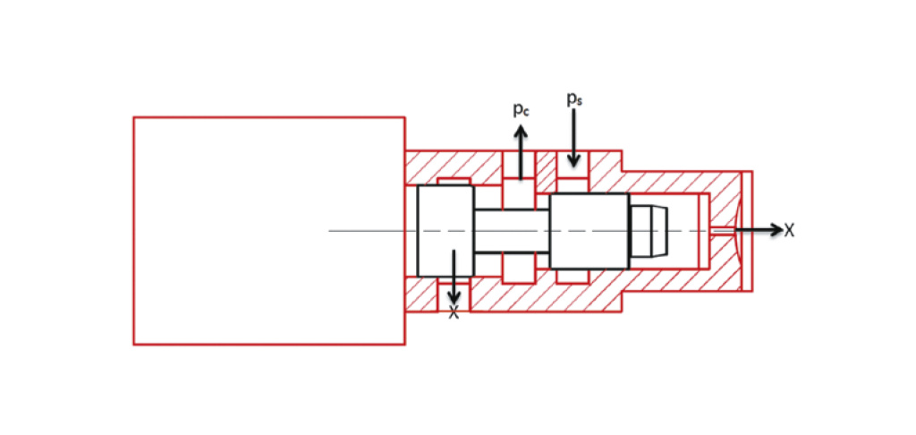
Шток перемещает ползунок гидравлического коллектора, как показано на рис. 4. На рисунке показана очень простая конструкция, чтобы сделать принцип работы электромагнитного клапана как можно более понятным. Рисунок также помогает увидеть различия, внесенные в более сложную конструкцию устройства, именуемого в нашей статье устройством II (рис. 5), и гораздо более сложная конструкция устройства, именуемого устройством I (рис. 6).
В конструкции, изображенной на рис. 4, подвижный ползунок клапана может соединять камеру Pc выходного давления либо с маслом, подаваемым при высоком давлении подачи Ps (для увеличения Pc), либо со сбросом давления X в атмосферу (для снижения Pc). Таким образом, клапан может плавно регулировать Pc на всем пути от атмосферного давления до давления подачи. Усилие перемещения штока возникает от любого дисбаланса между магнитными силами, создаваемыми соленоидом, и силами обратной связи, пропорциональными значению Pc и разнице активных зон ползунка с обеих сторон камеры Pc.

Рис. 4. Схема, показывающая конструкцию электромагнитного клапана, достаточную для выполнения требуемых функций.
Ползунок на рис. 4 показан в нейтральном положении: выходное давление Pc не увеличивается и не падает. Усилия, прилагаемые электромагнитом (передаваемые штоком на ползун), и результирующая сила, которая является результатом давления Pc на эти две поверхности поршня, уравновешиваются.
Если усилие от электромагнита увеличивается, канал для подачи давления Ps открывается. Меньшее усилие, приложенное к соленоиду, открывает канал для выпуска масла, пока силы не вернутся к равновесию, что приведет к перекрытию канала. С другой стороны, на рисунке 5 показана схема электромагнитного клапана, указанного в качестве устройства II.

Рис.5. Схема электромагнитного клапана, называемого устройством II
Нагрузка пружины, действующая на ползунок клапана в этой конструкции слева, уравновешивается двумя силами, толкающими вправо: магнитной силой и обратной связью, создаваемой выходным давлением Pc, действующим на две противоположные круглые поверхности ползуна Ø8,6 мм и Ø8,1 мм. Ползунок на рис. 5 показан в нейтральном положении.
Поскольку перемещения ползунка устройства II очень малы, нагрузка на пружину практически постоянна. Увеличение усилия, прилагаемого электромагнитом, которое зависит от желаемого ШИМ-сигнал (в частности, ток, проходящий через соленоид) и изменение температуры, перемещает ползунок вправо и открывает вентиляционное отверстие и, таким образом, снижает давление Pc. Устанавливается новая точка равновесия при увеличенном желаемом значении ШИМ-сигнала и уменьшенном давлении. Это означает, что выходное давление обычно высокое (без подачи ШИМ-сигнала и, следовательно, тока на соленоид), что показано обозначением N/H (нормальное высокое) на корпусе. Этот электромагнитный клапан рассчитан на давление подачи до 20 бар, поэтому выходное давление Pc может принимать любое значение от атмосферного давления до 20 бар (при ШИМ-сигнал равен 0%) за вычетом потерь во внутренних каналах самого клапана. Этот конкретный тип клапана предлагается также в исполнении N/L (Normal Low).
Конструкция устройства, называемого устройством I, показанного на рис. 6, гораздо более сложная, хотя ползунок, как и описанный выше, приводится в движение комбинацией, передаваемой штоком магнитной силы и выходного давления с обратной связью Pc. Области, на которые давление Pc создает соответствующие усилия, определяются максимальным диаметром ползуна (Ø7 мм) в камере F и диаметром ползуна, уменьшенным до Ø4,68 мм в камере A (0,172 см2). Шток соленоида механически не соединен с ползуном клапана; гарантируется синхронное перемещение обеих этих частей пружиной внутри соленоида, которая удерживает шток на ползуне. Выходное давление Pc создается в камере C, в то время как камеры A, E и F обеспечивают усилие обратной связи.
В нейтральном положении масло не течет ни между камерой подачи Ps D и камерой E (Pc), ни между выпускной камерой B и камерой C (Pc). Таким образом, давление в Pc не изменяется. Однако любое перемещение ползунка вправо (больше мертвой зоны) откроет проход между камерами D и E и увеличит давление в Pc. То же самое верно противоположного направления движения: любое перемещение ползунка влево откроет проход между камерой C и выпускным отверстием B и уменьшит давление в Pc. Ползунок перемещается в ответ на измененный сигнал управления ШИМ. Возможности выдвижения штока механически ограничены, и в тестируемом экземпляре клапана было замечено, что комбинация ползуна и штока перемещалась не строго вместе. В результате положение ползуна не всегда было четко определено. По этой причине наблюдалось остаточное давление Pc около 0,5 бар при отсутствии какого-либо управляющего сигнала ШИМ.

Рис. 6. Относительное положение ползуна и цилиндра клапана, называемого устройством I
В ходе испытаний были выявлены и другие недостатки обсуждаемого решения: клапан подвержен колебаниям. Скорее всего, производитель знал об этой тенденции, и именно поэтому был внедрен аккумулятор энергии, видимый на рис. 2 (состоящий из цилиндра, поршня и пружины). Выходное давление Pc, действующее на нижнюю поверхность поршня, сжимает пружину. Задача аккумулятора - замедлить изменение давления Pc, таким образом стабилизируя работу клапана.
Был измерен диаметр поршня внутри аккумулятора энергии и жесткость его пружины. Зная степень сжатия пружины в ее крайних положениях (механические ограничения), мы смогли охарактеризовать аккумулятор, см. рис. 7. Аккумулятор не влияет на динамические свойства клапана, если давление выходит за пределы рабочего диапазона аккумулятора 0,36 – 4,95 бар.

Рис. 7. Характеристика аккумулятора энергии, встроенного в устройство I
Аккумулятор не полностью защищал клапан от генерации колебаний в некоторых условиях. Зависимость сигналов от датчиков давления, установленных на входе клапана Ps (красная линия) и на выходе клапана Pc (желтая линия), от времени показана на рис. 8. ШИМ-сигнал был постоянным.

Рис. 8. Экран осциллографа, показывающий склонность устройства I генерировать колебания
3. Испытательный стенд
На рис. 9 показана принципиальная схема испытательного стенда. Объемный насос постоянного единичного объема снабжал испытуемые электромагнитные клапаны маслом через блок подачи при скорости подачи Qs, температуре t и давлении Ps. Клапан создавал выходное давление Pc в зависимости от управляющего сигнала ШИМ. Были измерены внутренние утечки из тестируемого клапана, т.е. количество масла, которое выходило за пределы клапана в его нейтральном положении, когда подача масла не предусматривалась. Утечки вызваны главным образом зазором между ползуном клапана и цилиндрическими поверхностями. Они зависят главным образом от температуры масла и давления масла на выходе. Регулирующий клапан на напорном отверстии Pc имитирует расход масла нагрузками, подаваемыми клапаном. Скорость подачи масла на выходе может быть измерена с помощью измерителя Qs скорости подачи по линии подачи, если учитываются внутренние утечки. Основной масляный бак был оснащен встроенной системой подогрева масла. Измерялась интенсивность тока в ШИМ-сигнале, подаваемом от генератора на тестируемый клапан. Регистрировались сигналы, подаваемые измерителем скорости подачи, датчиком давления и датчиком температуры.

Рис. 9. Принципиальная схема испытательного стенда
4. Результаты измерений
4.1. Выходное давление pc в зависимости от сигнала ШИМ
Выходное давление Pc, создаваемое устройством I для двух температур, показано на графике в зависимости от сигнала управления ШИМ на рис. 10. Давление питания устройства Ps составляло 15 бар. Точки, измеренные при увеличении сигнала, не совсем совпадали с точками, измеренными при уменьшении сигнала, однако различия были довольно небольшими. В целом можно сказать, что гистерезиса не наблюдалось. Аналогичные результаты были получены для устройства II.
Однако различия, наблюдаемые при различных температурах, были значительными. Магнитная сила, создаваемая соленоидом, пропорциональна средней интенсивности протекающего через него тока, а не непосредственно значению ШИМ-сигнала. Ток зависит от сопротивления катушки соленоида, которое изменяется в зависимости от температуры катушки. Сопротивление катушки 4,7 Ом было измерено при 18 ° C, а 6,3 Ом - при 90 ° C. Стоит отметить, что температура катушки не идентична температуре масла, поскольку ток, протекающий через катушку, может нагревать ее даже до 90 ° C.
Результаты аналогичных измерений, выполненных на приборе II, показаны на рис. 11. Здесь также заметна разница в температуре. Сопротивление катушки 5,2 Ом измерялось при 20 ° C, а 7,2 Ом - при 110 ° C, т.е. при температуре, до которой катушка нагревается при ШИМ-сигнале, равном 100%, когда охлаждающее масло не проходило через клапан.
Приведенные выше результаты показывают, что средний ток, протекающий через катушку соленоида, безусловно, является лучшим управляющим сигналом, чем сигнал напряжения ШИМ. Управление, основанное на среднем токе катушки, не зависит от температуры. Выходное давление Pc, создаваемое устройством I, показано на графике в зависимости от среднего тока (среднее арифметическое текущих значений за период усреднения) на рис. 12.

Рис. 10. Выходное давление Pc, создаваемое устройством I, в зависимости от управляющего сигнала ШИМ для различных температур

Рис. 11. Выходное давление Pc, создаваемое устройством II, в сравнении с управляющим сигналом ШИМ, измеренным для различных температур
4.2. Выходное давление Pc в зависимости от среднего тока катушки.
Как видно на рис. 12, если построить график зависимости среднего тока катушки от оси абсцисс, данные для различных температур перекрываются. Выбор среднего тока катушки, а не управляющего сигнала ШИМ в качестве независимой переменной, учитывает не только отклонения температуры, но и любые возможные изменения, возникающие в результате возможных колебаний напряжения питания соленоида клапана. Это также может быть подтверждено данными, показанными на рис. 13: магнитная сила соленоида зависит не от температуры, а в первую очередь от среднего тока катушки.

Рис. 12. Данные с рис. 10, построенные в зависимости от среднего тока катушки для различных температур
4.3. Испытания на магнитные силы были проведены для определения магнитной силы, действующей на соленоид устройства I. Они проводились при двух температурах, около 25 ° C и 65 ° C. Результаты представлены на рис. 13. Интересным наблюдением является тот факт, что температура не влияет на усилие, генерируемое катушкой, когда вместо ШИМ–сигнала используется средний ток - заметного изменения индуктивности катушки не происходит.
Стоит отметить, что зависимость далека от линейной, особенно при низких значениях тока (рабочий режим). Следует помнить, что соленоиды обладают не только сопротивлением, но и реактивной способностью. Этот параметр отвечает за большую долю переходных процессов в связи с сигналами с низким коэффициентом заполнения при низких средних токах (сигнал ШИМ) и отклонениями от линейности. Однако привод или муфта, приводимые в действие электромагнитным клапаном, часто снабжены возвратной пружиной; чтобы вывести привод/муфту из состояния покоя, давление Pc должно превысить пороговое значение, значительно превышающее ноль. В таких обстоятельствах форма зависимости для значений, близких к нулю, не имеет значения.
Именно по этой причине – из–за встроенной в клапан пружины - подобной зависимости от линейности не наблюдалось при низких значениях управляющего сигнала ШИМ для устройства II, см. рис. 11.

Рис. 13. Магнитная сила соленоида устройства I, измеренная при различных температурах и построенная в зависимости от среднего тока катушки
4.4. Время срабатывания электромагнитного клапана.
Исследование включало испытания динамических свойств клапана. Реакция на ступенчатую функцию, примененную к устройству I, показана на рис.14; увеличенный фрагмент реакции показан внизу. ШИМ-сигнал [%] и давление Pc [бар] показаны на левой вертикальной оси, средний ток катушки [А] показан на правой вертикальной (вспомогательной) оси. Время в секундах показано на горизонтальной оси.
Используемый ШИМ-генератор позволял ступенчато изменять управляющий сигнал уже к следующему периоду ШИМ-сигнала, т.е. через 0,003(3) с, когда частота ШИМ-сигнала составляла 300 Гц. Первый разрыв на кривой ШИМ (t) соответствует началу шага. В более поздней части кривая ШИМ напоминала экспоненциальную кривую, поскольку применяемый аналоговый преобразователь по необходимости интегрировал ступенчатый сигнал. Как видно на диаграмме, срабатывание электромагнитного клапана (давление Pc) происходило быстрее, чем изменение управляющего сигнала ШИМ, что не является реальным эффектом. Аналогичное запаздывание может наблюдаться в среднем токе катушки, сигнал также интегрируется с постоянной времени около 1 с.

Рис. 14. Диаграммы, представляющие резкие изменения управляющего сигнала в электромагнитном клапане, называемом устройством I
4.5. Утечки в клапане.
На рис. 15 показаны результаты измерений утечки в устройстве I, снабженном давлением Ps =15 бар и создающем выходное давление Pc =0. Каждая точка на графике представляет среднее значение нескольких результатов измерений. Как и ожидалось, утечки сильно увеличиваются с повышением температуры масла из-за снижения вязкости масла.

Рис. 15. Зависимость скорости утечки в устройстве I от температуры
4.6. Диапазон линейности электромагнитного клапана
Выходное давление клапана Pc в зависимости от скорости подачи масла, измеренная для устройства I, питаемого давлением Ps =15 бар, показана на рис. 16. Выходное давление Pc было установлено равным 8 бар, затем скорость подачи масла постепенно увеличивалась и измерялся Pc. Был проведен еще один цикл измерений для исходного значения Pc =12 бар. Все точки, измеренные при 8-барном цикле, расположены вдоль прямой линии. Наклон этой линии определяется коэффициентом пружины электромагнитного клапана: чтобы больше открыть канал подачи масла, пружина должна быть больше нагружена за счет выходного давления. Последняя точка, измеренная при давлении 12 бар, отклоняется от прямой линии, что отражает ограниченный диапазон линейности клапана при таком выходном давлении: когда канал подачи масла полностью открыт, клапан не может подавать больше масла. С этого момента скорость подачи масла зависит от сопротивления потоку через клапан.

Рис. 16. Устройство I. Выходное давление Pc в зависимости от скорости подачи масла для двух начальных выходных давлений, Pc =8 бар и Pc =12 бар. Давление подачи Ps = 15 бар.
4.7. Другие замечания и комментарии
Проведенные испытания/анализ электромагнитных клапанов, произведенных двумя разными производителями, вызвали некоторые сомнения в отношении конструкции клапана, называемого устройством I. Кажется, что пружина в этом клапане должна быть перенесена со стержня соленоида слева от ползунка вправо от ползунка. Такая пружина гарантировала бы постоянный контакт штока с ползуном. Если такой пружины нет, становится возможной ситуация, при которой шток извлекается, а ползун нет. Контакт штока с ползуном может быть нарушен, поскольку единственной причиной его перемещения влево является сила давления обратной связи в камере F (см. рис. 6). Когда ШИМ-сигнал (и выходное давление Pc) уменьшался очень медленно, в какой-то момент остаточного давления было недостаточно для дальнейшего перемещения ползунка. Пружина, расположенная справа от ползунка, будет толкать его до упора влево, гарантируя таким образом постоянный контакт ползунка со стержнем соленоида.
5. Выводы
Проведенные испытания/анализ электромагнитных клапанов двух разных производителей позволили предложить модификацию конструкции клапана, получившую название устройства I. Модификация заключается во введении пружины, которая гарантировала бы постоянный контакт ползуна со стержнем соленоида и, таким образом, гарантировала бы однозначное положение ползуна в каждом конкретном случае. Универсальные физические законы позволяют сформулировать следующие рекомендации относительно работы всех электромагнитных клапанов типа, называемого Устройством I:
• Точность управления при различных температурах повысилась бы, если бы управляющим сигналом был средний ток катушки, а не сигнал ШИМ. Даже если температура масла поддерживается постоянной, катушка нагревается под воздействием протекающего через нее тока, и сопротивление катушки изменяется.
• Незначительно короткое время сброса (с точки зрения типичных применений в автомобильной промышленности) может быть проигнорировано для клапанов тестируемого типа.
• Внутренние утечки электромагнитного клапана в значительной степени зависят от температуры масла, и их уровень ни в коем случае нельзя игнорировать.
